爱上海北京验证论坛,成都品茶外卖推荐,海角.comhj3dc论坛的特色

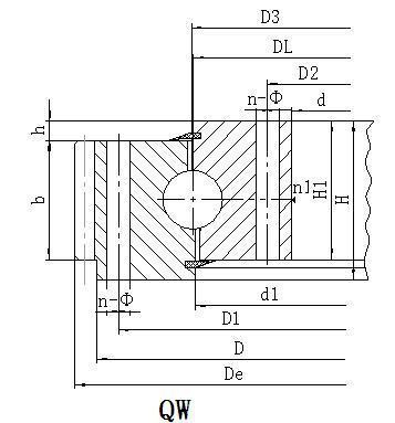
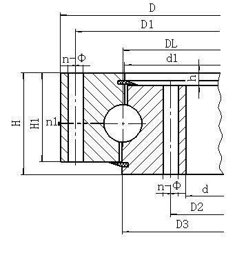
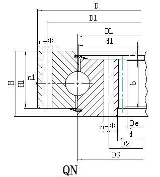
Q系列内齿型转盘轴承

  • 产品名称: Q系列内齿型转盘轴承
  • 产品分类: 单排球式回转支承(Q系列)
  • 公司名称: 招远市金兴机械制造有限公司
  • 联系方式: 0535-8126299
  • 添加时间: 17/05/10
  • 二 维 码:

    手机购

    更方便

产品详情

单排四点接触球式回转支承(Q系列)——内齿式
结构特点、性能、适用范围 
       单排四点接触球式回转支承由两个座圈组成,结构紧凑,重量轻,钢球与圆弧滚道四点接触,能同时承受轴向力,径向力和倾翻力矩,回转式输送机,焊接操作机,中小型起重机和挖掘机等工程机械均可选用。

序号

型号

 

安装孔尺寸

结构
尺寸

齿轮参数

内齿式

H

Du

Dn

n

通孔A

螺孔B/C/D

n1油杯
数量

h

B

m

内齿式x=+0.5

de

齿数z

重量

D

d

φ

d1

T

 

 

mm

 

mm

mm

mm

 

kg

1

QN.315.20

408

224

60

370

260

10

17

M16

24

2

10

40

3

207

70

34

QN.315.20A

4

200

51

35

2

QN.355.20

448

264

60

410

300

10

17

M16

24

2

10

40

3

246

84

39

QN.355.20A

4

240

61

40

3

QN.400.20

493

310

60

455

345

12

17

M16

24

2

10

40

4

288

73

44

QN.400.20A

5

280

57

46

4

QN.450.20

543

360

60

505

395

12

17

M16

24

2

10

40

4

336

85

50

QN.450.20A

5

330

67

52

5

QN.500.20

593

410

60

555

445

14

17

M16

24

2

10

40

5

385

78

55

QN.500.20A

6

378

64

57

6

QN.560.20

656

468

70

618

502

14

17

M16

30

2

10

50

4

440

111

76

QN.560.20A

5

435

88

77

7

QN.630.20

726

538

70

688

572

16

17

M16

30

2

10

50

4

512

129

84

QN.630.20A

5

505

102

86

8

QN.710.20

806

618

70

768

652

18

17

M16

30

2

10

50

5

585

118

97

QN.710.20A

6

582

98

97

9

QN.800.20

896

708

70

858

742

20

17

M16

30

2

10

50

6

672

113

110

QN.800.20A

8

664

84

111

10

QN.800.25

908

694

78

864

736

18

22

M20

36

2

10

58

6

654

110

142

QN.800.25A

8

648

82

142

11

QN.900.25

1008

794

78

964

836

20

22

M20

36

2

10

58

8

744

94

163

QN.900.25A

10

740

75

162

12

QN.1000.25

1108

894

78

1064

936

24

22

M20

36

2

10

58

8

848

107

178

QN.1000.25A

10

840

85

179

13

QN.1000.32

1124

880

90

1074

926

24

24

M22

40

2

10

70

8

832

105

230

QN.1000.32A

10

830

84

227

14

QN.1120.32

1244

1000

90

1194

1046

28

24

M22

40

4

10

70

10

940

95

263

QN.1120.32A

12

936

79

262

15

QN.1250.32

1374

1130

90

1324

1176

32

24

M22

40

4

10

70

10

1070

108

294

QN.1250.32A

12

1068

90

290

16

QN.1400.32

1524

1280

90

1474

1326

36

24

M22

40

4

10

70

12

1212

102

333

QN.1400.32A

14

1204

87

336

17

QN.1250.40

1394

1110

102

1336

1164

32

26

M24

45

4

12

80

10

1050

106

388

QN.1250.40A

12

1044

88

388

18

QN.1400.40

1544

1260

102

1486

1314

36

26

M24

45

4

12

80

12

1188

100

444

QN.1400.40A

14

1190

86

434

19

QN.1600.40

1744

1460

102

1686

1514

40

26

M24

45

4

12

80

12

1392

117

509

QN.1600.40A

14

1386

100

511

20

QN.1800.40

1944

1660

102

1886

1714

44

26

M24

45

4

12

80

14

1582

114

576

QN.1800.40A

16

1568

99

591

21

QN.1600.50

1766

1438

124

1704

1496

40

30

M27

50

4

12

100

12

1368

115

714

QN.1600.50A

14

1358

98

723

22

QN.1800.50

1966

1638

124

1904

1696

44

30

M27

50

4

12

100

14

1568

113

794

QN.1800.50A

16

1552

98

818

23

QN.2000.50

2166

1842

124

2104

1896

48

30

M27

50

6

12

100

16

1760

111

891

QN.2000.50A

18

1746

98

913

24

QN.2240.50

2406

2078

124

2344

2136

54

30

M27

50

6

12

100

16

1984

125

1044

QN.2240.50A

18

1980

111

1041

25

QN.2500.50

2666

2342

124

2604

2396

60

30

M27

50

6

12

100

18

2250

126

1132

QN.2500.50A

20

2240

113

1148

26

QN.2500.60

2696

2308

150

2626

2374

60

33

M30

56

6

14

122

18

2214

124

1621

QN.2500.60A

20

2200

111

1654


注: 
1、n1为润滑油孔数,均布:油杯M10×1 JB/T7940.1-JB/T7940.2
2、安装孔n-Φ可改用螺孔;齿宽b可改为H-h。
3、表内齿轮圆周力为最大圆周力,额定圆周力取其1/2。


点击次数:   更新时间:17/05/10 08:39:05   【打印此页】   【关闭

联系我们

  • 地址:山东省烟台市招远市横掌路
  • 电话:0535-8126299
  • 传真:0535-8120396
  • 手机:张经理 18954556021
  • E-mail:jinxing8126299@126.com

扫一扫查看更多信息

招远市金兴机械制造有限公司?2019 Microsoft Corporation. All rights reserved. 鲁ICP备2023015502号-1

城市分站:主站   山东   浙江   湖南   安徽   河南   江苏   上海   湖北   四川   河北   天津   辽宁   广州   

网站地图 |  免责声明

主站蜘蛛池模板: 于都县| 迁安市| 京山县| 滁州市| 青岛市| 南康市| 阿尔山市| 忻州市| 桂东县| 天等县| 安化县| 仙游县| 衡南县| 大丰市| 玛纳斯县| 将乐县| 桐乡市| 南丰县| 和平县| 博野县| 双鸭山市| 沅江市| 山东省| 施秉县| 永兴县| 冕宁县| 平昌县| 莲花县| 贵阳市| 利辛县| 黑河市| 辽宁省| 枝江市| 华池县| 佛山市| 西畴县| 邯郸县| 广西| 永宁县| 仁布县| 洪雅县|