爱上海北京验证论坛,成都品茶外卖推荐,海角.comhj3dc论坛的特色

Q系列无齿式回转支承

  • 产品名称: Q系列无齿式回转支承
  • 产品分类: 单排球式回转支承(Q系列)
  • 公司名称: 招远市金兴机械制造有限公司
  • 联系方式: 0535-8126299
  • 添加时间: 17/05/10
  • 二 维 码:

    手机购

    更方便

产品详情

Q系列无齿式回转支承
结构特点、性能、适用范围 
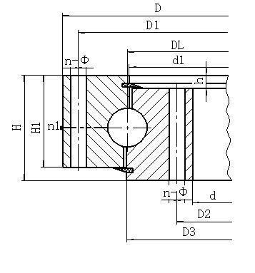
       单排四点接触球式回转支承由两个座圈组成,结构紧凑,重量轻,钢球与圆弧滚道四点接触,能同时承受轴向力,径向力和倾翻力矩,回转式输送机,焊接操作机,中小型起重机和挖掘机等工程机械均可选用。
       齿轮的热处理状态一般为正火或调质状态根据应用场合的不同,齿轮淬火可分为全齿淬火和单齿感应淬火。单齿感应淬火又可分为齿面齿根淬火和齿面淬火。

序号

型号

外形尺寸

安装孔尺寸

结构
尺寸

无齿式

H

Du

Dn

n

通孔A

螺孔B/C/D

n1油杯
数量

h

D

d

φ

d1

T

mm

 

mm

 

mm

1

QU.315.20

408

222

60

370

260

10

17

M16

24

2

10

QU.315.20A

2

QU.355.20

448

262

60

410

300

10

17

M16

24

2

10

QU.355.20A

3

QU.400.20

493

307

60

455

345

12

17

M16

24

2

10

QU.400.20A

4

QU.450.20

543

357

60

505

395

12

17

M16

24

2

10

QU.450.20A

5

QU.500.20

593

407

60

555

445

14

17

M16

24

2

10

QU.500.20A

6

QU.560.20

656

464

70

618

502

14

17

M16

30

2

10

QU.560.20A

7

QU.630.20

726

534

70

688

572

16

17

M16

30

2

10

QU.630.20A

8

QU.710.20

806

614

70

768

652

18

17

M16

30

2

10

QU.710.20A

9

QU.800.20

896

704

70

858

742

20

17

M16

30

2

10

QU.800.20A

10

QU.800.25

908

692

78

864

736

18

22

M20

36

2

10

QU.800.25A

11

QU.900.25

1008

792

78

964

836

20

22

M20

36

2

10

QU.900.25A

12

QU.1000.25

1108

892

78

1064

936

24

22

M20

36

2

10

QU.1000.25A

13

QU.1000.32

1124

876

90

1074

926

24

24

M22

40

2

10

QU.1000.32A

14

QU.1120.32

1244

996

90

1194

1046

28

24

M22

40

4

10

QU.1120.32A

15

QU.1250.32

1374

1126

90

1324

1176

32

24

M22

40

4

10

QU.1250.32A

16

QU.1400.32

1524

1276

90

1474

1326

36

24

M22

40

4

10

QU.1400.32A

17

QU.1250.40

1394

1108

102

1336

1164

32

26

M24

45

4

12

QU.1250.40A

18

QU.1400.40

1544

1258

102

1486

1314

36

26

M24

45

4

12

QU.1400.40A

19

QU.1600.40

1744

1458

102

1686

1514

40

26

M24

45

4

12

QU.1600.40A

20

QU.1800.40

1944

1658

102

1886

1714

44

26

M24

45

4

12

QU.1800.40A

21

QU.1600.50

1766

1434

124

1704

1496

40

30

M27

50

4

12

QU.1600.50A

22

QU.1800.50

1966

1634

124

1904

1696

44

30

M27

50

4

12

QU.1800.50A

23

QU.2000.50

2166

1834

124

2104

1896

48

30

M27

50

6

12

QU.2000.50A

24

QU.2240.50

2406

2074

124

2344

2136

54

30

M27

50

6

12

QU.2240.50A

25

QU.2500.50

2666

2334

124

2604

2396

60

30

M27

50

6

12

QU.2500.50A

26

QU.2500.60

2696

2304

150

2626

2374

60

33

M30

56

6

14

QU.2500.60A


注: 
1、n1为润滑油孔数,均布:油杯M10×1 JB/T7940.1-JB/T7940.2
2、安装孔n-Φ可改用螺孔;齿宽b可改为H-h。
3、表内齿轮圆周力为最大圆周力,额定圆周力取其1/2。


点击次数:   更新时间:17/05/10 08:16:05   【打印此页】   【关闭

联系我们

  • 地址:山东省烟台市招远市横掌路
  • 电话:0535-8126299
  • 传真:0535-8120396
  • 手机:张经理 18954556021
  • E-mail:jinxing8126299@126.com

扫一扫查看更多信息

招远市金兴机械制造有限公司?2019 Microsoft Corporation. All rights reserved. 鲁ICP备2023015502号-1

城市分站:主站   山东   浙江   湖南   安徽   河南   江苏   上海   湖北   四川   河北   天津   辽宁   广州   

网站地图 |  免责声明

主站蜘蛛池模板: 青铜峡市| 奈曼旗| 冷水江市| 柳江县| 盖州市| 大化| 延川县| 紫云| 科尔| 农安县| 太仆寺旗| 大名县| 方正县| 荔浦县| 特克斯县| 玉溪市| 垣曲县| 苍溪县| 北辰区| 新乡县| 盐边县| 长子县| 礼泉县| 库尔勒市| 卢湾区| 宝鸡市| 鹤岗市| 堆龙德庆县| 东莞市| 文安县| 宝丰县| 永顺县| 广西| 蓝山县| 丽江市| 察哈| 萝北县| 西青区| 梅州市| 延寿县| 渑池县|