
手机购
更方便
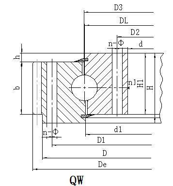
Q系列外齿型转盘轴承
结构特点、性能、适用范围
单排四点接触球式回转支承由两个座圈组成,结构紧凑,重量轻,钢球与圆弧滚道四点接触,能同时承受轴向力,径向力和倾翻力矩,回转式输送机,焊接操作机,中小型起重机和挖掘机等工程机械均可选用。
由于传递力的需要,回转支承其中一个套圈上通常制有齿。齿轮的热处理状态一般为正火或调质状态。齿表面也可按照用户的要求淬火处理,淬火硬度在HRC50~60,并且能够保证足够的深度。
序号
型号
外形尺寸
安装孔尺寸
结构
齿轮参数
外齿式
H
Du
Dn
n
通孔A
螺孔B/C/D
n1油杯
h
B
m
外齿式x=-0.5
De
齿数z
重量
D
d
φ
d1
T
mm
mm
mm
mm
kg
1
QW.315.20
406
222
60
370
260
10
17
M16
24
2
10
40
3
423
140
35
QW.315.20A
4
428
106
36
2
QW.355.20
446
262
60
410
300
10
17
M16
24
2
10
40
3
462
153
40
QW.355.20A
4
468
116
41
3
QW.400.20
490
307
60
455
345
12
17
M16
24
2
10
40
4
512
127
45
QW.400.20A
5
520
103
47
4
QW.450.20
540
357
60
505
395
12
17
M16
24
2
10
40
4
564
140
51
QW.450.20A
5
570
113
53
5
QW.500.20
590
407
60
555
445
14
17
M16
24
2
10
40
5
615
122
56
QW.500.20A
6
624
103
58
6
QW.560.20
654
464
70
618
502
14
17
M16
30
2
10
50
4
680
169
78
QW.560.20A
5
685
136
79
7
QW.630.20
724
534
70
688
572
16
17
M16
30
2
10
50
4
748
186
86
QW.630.20A
5
755
150
88
8
QW.710.20
804
614
70
768
652
18
17
M16
30
2
10
50
5
835
166
99
QW.710.20A
6
840
139
101
9
QW.800.20
894
704
70
858
742
20
17
M16
30
2
10
50
6
930
154
114
QW.800.20A
8
936
116
114
10
QW.800.25
904
692
78
864
736
18
22
M20
36
2
10
58
6
942
156
143
QW.800.25A
8
952
118
147
11
QW.900.25
1004
792
78
964
836
20
22
M20
36
2
10
58
8
1048
130
162
QW.900.25A
10
1060
105
168
12
QW.1000.25
1104
892
78
1064
936
24
22
M20
36
2
10
58
8
1152
143
182
QW.1000.25A
10
1160
115
185
13
QW.1000.32
1120
876
90
1074
926
24
24
M22
40
2
10
70
8
1160
144
227
QW.1000.32A
10
1170
116
232
14
QW.1120.32
1240
996
90
1194
1046
28
24
M22
40
4
10
70
10
1300
129
272
QW.1120.32A
12
1308
108
275
15
QW.1250.32
1370
1126
90
1324
1176
32
24
M22
40
4
10
70
10
1430
142
302
QW.1250.32A
12
1440
119
309
16
QW.1400.32
1520
1276
90
1474
1326
36
24
M22
40
4
10
70
12
1584
131
337
QW.1400.32A
14
1596
113
347
17
QW.1250.40
1390
1108
102
1336
1164
32
26
M24
45
4
12
80
10
1450
144
396
QW.1250.40A
12
1452
120
392
18
QW.1400.40
1540
1258
102
1486
1314
36
26
M24
45
4
12
80
12
1608
133
448
QW.1400.40A
14
1610
114
443
19
QW.1600.40
1740
1458
102
1686
1514
40
26
M24
45
4
12
80
12
1812
150
528
QW.1600.40A
14
1820
129
534
20
QW.1800.40
1940
1658
102
1886
1714
44
26
M24
45
4
12
80
14
2016
143
583
QW.1800.40A
16
2032
126
607
21
QW.1600.50
1762
1434
124
1704
1496
40
30
M27
50
4
12
100
12
1824
151
714
QW.1600.50A
14
1834
130
727
22
QW.1800.50
1964
1634
124
1904
1696
44
30
M27
50
4
12
100
14
2044
145
845
QW.1800.50A
16
2048
127
843
23
QW.2000.50
2162
1834
124
2104
1896
48
30
M27
50
6
12
100
16
2240
139
912
QW.2000.50A
18
2250
124
927
24
QW.2240.50
2402
2074
124
2344
2136
54
30
M27
50
6
12
100
16
2480
154
1020
QW.2240.50A
18
2502
138
1078
25
QW.2500.50
2662
2334
124
2604
2396
60
30
M27
50
6
12
100
18
2754
152
1171
QW.2500.50A
20
2760
137
1175
26
QW.2500.60
2696
2304
150
2626
2374
60
33
M30
56
6
14
122
18
2790
154
1677
QW.2500.60A
20
2800
139
1701
尺寸
数量
注:
1、n1为润滑油孔数,均布:油杯M10×1 JB/T7940.1-JB/T7940.2
2、安装孔n-Φ可改用螺孔;齿宽b可改为H-h。
3、表内齿轮圆周力为最大圆周力,额定圆周力取其1/2。
联系我们
扫一扫查看更多信息