爱上海北京验证论坛,成都品茶外卖推荐,海角.comhj3dc论坛的特色

13系列内齿型转盘支承

  • 产品名称: 13系列内齿型转盘支承
  • 产品分类: 三排滚柱式回转支承(13系列)
  • 公司名称: 招远市金兴机械制造有限公司
  • 联系方式: 0535-8126299
  • 添加时间: 17/05/10
  • 二 维 码:

    手机购

    更方便

产品详情

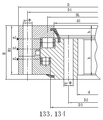
三排滚柱式内齿型转盘轴承
结构特点、性能、适用范围 
       三排滚柱式回转支承有三个座圈,上 下及径向滚道各自分开,使得每一排滚柱的负载都能确切地加以确定。能够同时承受各种载荷,是四种产品中承载能力很大的一种,轴、径向尺寸都较大,结构牢 固,特别适用于要求较大直径的重型机械,如斗轮式挖掘机、轮式起重机、船用起重机、港口起重机、钢水运转台及大吨位汽车起重机等机械上。



点击次数:   更新时间:17/05/10 09:59:05   【打印此页】   【关闭

联系我们

  • 地址:山东省烟台市招远市横掌路
  • 电话:0535-8126299
  • 传真:0535-8120396
  • 手机:张经理 18954556021
  • E-mail:jinxing8126299@126.com

扫一扫查看更多信息

招远市金兴机械制造有限公司?2019 Microsoft Corporation. All rights reserved. 鲁ICP备2023015502号-1

城市分站:主站   山东   浙江   湖南   安徽   河南   江苏   上海   湖北   四川   河北   天津   辽宁   广州   

网站地图 |  免责声明

主站蜘蛛池模板: 岳普湖县| 元朗区| 获嘉县| 观塘区| 高阳县| 浏阳市| 类乌齐县| 平江县| 罗田县| 通海县| 芷江| 页游| 南昌市| 富蕴县| 淮阳县| 翁牛特旗| 历史| 攀枝花市| 孟连| 克什克腾旗| 蓬莱市| 加查县| 深水埗区| 阿巴嘎旗| 延寿县| 商丘市| 兰坪| 克拉玛依市| 安塞县| 灵宝市| 六安市| 安多县| 秭归县| 泸西县| 大兴区| 临澧县| 蒲城县| 留坝县| 台前县| 平和县| 伽师县|