爱上海北京验证论坛,成都品茶外卖推荐,海角.comhj3dc论坛的特色

13系列无齿式回转支承

  • 产品名称: 13系列无齿式回转支承
  • 产品分类: 三排滚柱式回转支承(13系列)
  • 公司名称: 招远市金兴机械制造有限公司
  • 联系方式: 0535-8126299
  • 添加时间: 17/05/10
  • 二 维 码:

    手机购

    更方便

产品详情

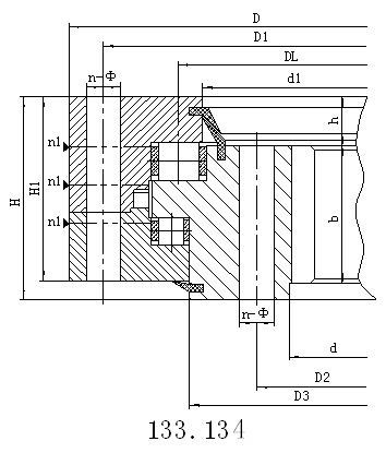
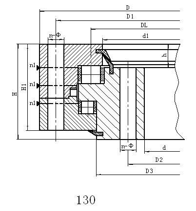
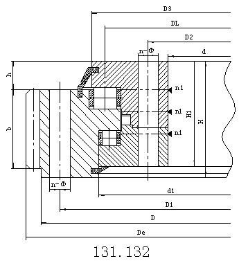
13系列无齿式回转支承
结构特点、性能、适用范围 
       三排滚柱式回转支承有三个座圈,上下及径向滚道各自分开,使得每一排滚 柱的负载都能确切地加以确定。能够同时承受各种载荷,是四种产品中承载能力很大的一种,轴、径向尺寸都较大,结构牢固,特别适用于要求较大直径的重型机 械,如斗轮式挖掘机、轮式起重机、船用起重机、港口起重机、钢水运转台及大吨位汽车起重机等机械上。
       回转驱动通常由蜗杆、回转支承、壳体、马达等部件构成。由于核心部件采用回转支承,因此可以同时承受轴向力、径向力、倾翻力矩。 其形式很多,但结构组成基本大同小异。


点击次数:   更新时间:17/05/10 09:54:05   【打印此页】   【关闭

联系我们

  • 地址:山东省烟台市招远市横掌路
  • 电话:0535-8126299
  • 传真:0535-8120396
  • 手机:张经理 18954556021
  • E-mail:jinxing8126299@126.com

扫一扫查看更多信息

招远市金兴机械制造有限公司?2019 Microsoft Corporation. All rights reserved. 鲁ICP备2023015502号-1

城市分站:主站   山东   浙江   湖南   安徽   河南   江苏   上海   湖北   四川   河北   天津   辽宁   广州   

网站地图 |  免责声明

主站蜘蛛池模板: 监利县| 高雄县| 三穗县| 抚顺县| 信阳市| 武夷山市| 霞浦县| 朝阳市| 历史| 顺义区| 丹江口市| 西城区| 新龙县| 双牌县| 石棉县| 高密市| 新泰市| 微山县| 靖边县| 丁青县| 赤壁市| 华阴市| 连南| 开阳县| 阿鲁科尔沁旗| 买车| 繁昌县| 昌黎县| 平遥县| 五寨县| 苗栗县| 桂东县| 岱山县| 鄂伦春自治旗| 手游| 昌乐县| 石泉县| 遵义县| 兰州市| 新源县| 洛川县|