
手机购
更方便
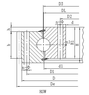
HS系列外齿型-转盘轴承
结构特点、性能、适用范围
单排四点接触球式转盘轴承由两个座圈组成,结构紧凑、重量轻、钢球与圆弧滚道四点接触,能同时承受轴向力、径向力和倾翻力矩。回转式输送机、焊接操作机、中小型起重机和挖掘机等工程机械均可选用。
序号
外齿式
外型尺寸
安装尺寸
结构尺寸
齿轮参数
齿轮
参考
D
d
H
D1
D2
n
mm
n1
D3
d1
H1
h
b
x
m
De
z
调质
1
HSW.25.625
725
525
80
685
565
18
18
3
626
624
68
12
60
1.4
5
751.9
146
5.2
100
HSW.25.625A
1.15
6
755.5
122
6.2
2
HSW.25.720
820
620
80
780
660
18
18
3
721
719
68
12
60
1.4
6
860.3
139
6.2
120
HSW.25.720A
1
8
861.1
104
8.3
3
HSW.30.820
940
705
95
893
749
24
20
4
821
818
83
12
70
1.4
6
980.6
159
7.2
210
HSW.30.820A
1
10
986.2
95
12.2
4
HSW.30.880
1000
760
95
956
800
24
20
4
881
878
83
12
70
1.15
8
1047.5
127
9.7
230
HSW.30.880A
1
10
1046.3
101
12.2
5
HSW.30.1020
1170
875
95
1120
930
24
22
4
1021
1018
80
15
70
1.4
8
1219.3
148
9.7
300
HSW.30.1020A
1.15
10
1219.2
118
12.2
6
HSW.30.1220
1365
1075
120
1310
1130
36
24
6
1221
1218
105
15
90
1.4
10
1424.9
138
15.7
450
HSW.30.1220A
1
12
1435.9
116
18.8
7
HSW.35.1250
1400
1090
120
1350
1150
36
26
6
1251
1248
105
15
90
-0.35
10
1443
143
15.7
520
HSW.35.1250A
1
12
1449.6
117
18.8
8
HSW.35.1435
1595
1278
120
1535
1335
36
26
6
1436
1433
105
15
90
1.15
12
1655.5
134
18.8
610
HSW.35.1435A
1
14
1661.2
115
21.9
9
HSW.35.1540
1720
1360
140
1660
1420
42
26
6
1541
1538
122
18
110
1.4
12
1780.8
144
23
732
HSW.35.1540A
1.15
14
1791.1
124
26.8
10
HSW.35.1700
1875
1525
140
1815
1585
42
29
6
1701
1698
122
18
110
1.15
14
1945.4
135
26.8
844
HSW.35.1700A
1.15
16
1950.8
118
30.5
11
HSW.40.1880
2100
1665
160
2030
1740
48
32
6
1881
1878
140
20
115
1.4
14
2189.8
152
27.8
1400
HSW.40.1880A
1.15
18
2194.6
118
35.8
12
HSW.40.2115
2325
1900
160
2245
1980
48
32
6
2116
2113
140
20
115
1.4
16
2406.5
146
31.9
1600
HSW.40.2115A
1.15
20
2418.4
117
40
13
HSW.40.2370
2600
2146
180
2520
2220
48
32
6
2371
2368
158
22
130
1.4
18
2707.3
146
40.7
2100
HSW.40.2370A
1.15
22
2704.4
119
49.7
14
HSW.40.2600
2835
2365
180
2750
2450
54
36
6
2601
2598
158
22
130
1.4
18
2941.7
159
37.6
2400
HSW.40.2600A
1.15
22
2946.9
130
45.9
15
HSW.50.2820
3085
2555
200
3000
2640
54
36
6
2822
2818
178
22
150
1.4
20
3188.4
155
52.2
3400
HSW.50.2820A
1.15
25
3198.4
124
65.3
16
HSW.50.3120
3400
2840
200
3310
2930
54
36
6
3122
3118
178
22
150
1.4
22
3507.2
155
57.4
4000
HSW.50.3120A
1.4
25
3509.6
136
65.3
17
HSW.50.3580
3920
3240
240
3820
3340
60
40
6
3582
3578
218
22
190
1.4
22
4036.1
179
72.7
6700
HSW.50.3580A
1.4
25
4035.6
157
82.6
18
HSW.50.4030
4370
3690
240
4270
3790
66
40
6
4032
4028
218
22
190
1.4
22
4520.6
201
53.6
7700
HSW.50.4030A
1.4
28
4522.4
157
68.2
19
HSW.50.4540
4860
4210
240
4760
4310
72
40
6
4542
4538
218
22
190
1.4
22
4983.1
222
72.1
8760
HSW.50.4540A
1.4
30
4992.9
162
99.1
DL
mm
圆周力
重量
kg
mm
mm
mm
mm
mm
mm
mm
mm
mm
mm
mm
mm
mm
T 104N
注:
1、n1为润滑油孔数,均布:油杯M10×1 JB/T7940.1-TB7940.2.
2、安装孔n-Φ可改用螺孔;齿宽b可改为H-h。
3、表内齿轮圆周力为最大圆周力,额定圆周力取其1/2。
4、表内变位系数均为外齿式设计。
联系我们
扫一扫查看更多信息