爱上海北京验证论坛,成都品茶外卖推荐,海角.comhj3dc论坛的特色

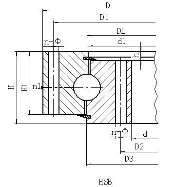
HS系列无齿型-回转支承

  • 产品名称: HS系列无齿型-回转支承
  • 产品分类: 单排四点接触球式回转支承(HS系列)
  • 公司名称: 招远市金兴机械制造有限公司
  • 联系方式: 0535-8126299
  • 添加时间: 17/05/10
  • 二 维 码:

    手机购

    更方便

产品详情

       HS系列单排球式回转支承是在原单排交叉滚子式结构回转支承的基础上改进形成,适用于工程、矿山、建筑及其他需要两部分相对旋转运动的机械连接部位。
       单排四点接触球式回转支承由两个座圈组成,结构紧凑、重量轻、钢球与圆弧滚道四点接触,能同时承受轴向力、径向力和倾翻力矩。回转式输送机、焊接操作机、中小型起重机和挖掘机等工程机械均可选用。



点击次数:   更新时间:17/05/10 09:24:05   【打印此页】   【关闭

联系我们

  • 地址:山东省烟台市招远市横掌路
  • 电话:0535-8126299
  • 传真:0535-8120396
  • 手机:张经理 18954556021
  • E-mail:jinxing8126299@126.com

扫一扫查看更多信息

招远市金兴机械制造有限公司?2019 Microsoft Corporation. All rights reserved. 鲁ICP备2023015502号-1

城市分站:主站   山东   浙江   湖南   安徽   河南   江苏   上海   湖北   四川   河北   天津   辽宁   广州   

网站地图 |  免责声明

主站蜘蛛池模板: 绥德县| 玉树县| 湘西| 仪征市| 阿拉善右旗| 西和县| 临沭县| 灵武市| 深水埗区| 永春县| 肇庆市| 二连浩特市| 江油市| 靖州| 巫溪县| 罗甸县| 确山县| 滦平县| 基隆市| 布拖县| 阜阳市| 河源市| 天等县| 邮箱| 安阳县| 宜昌市| 盘锦市| 扎兰屯市| 姜堰市| 文安县| 柞水县| 阿克苏市| 合江县| 绍兴县| 于田县| 南川市| 上杭县| 绥德县| 右玉县| 扎兰屯市| 交口县|