爱上海北京验证论坛,成都品茶外卖推荐,海角.comhj3dc论坛的特色

11系列外齿型回转支承

  • 产品名称: 11系列外齿型回转支承
  • 产品分类: 单排交叉滚柱式回转支承(11系列)
  • 公司名称: 招远市金兴机械制造有限公司
  • 联系方式: 0535-8126299
  • 添加时间: 17/05/10
  • 二 维 码:

    手机购

    更方便

产品详情

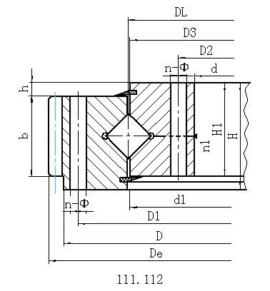
单排交叉滚柱式外齿型回转支承
结构特点、性能、适用范围 
       单排交叉滚柱式回转支承,由两个座圈组成,结构紧凑、重量轻、制造精度高,装配间隙小,对安装精度要求高,滚柱为1:1交叉排列,能同时承受轴向力,倾翻力矩和较大的径向力,被广泛地用于起重运输、工程机械和军工产品上。
       回转支承具有独特的承载特性,通常用于起重设备,挖掘机,转台,风力涡轮机,望远镜和油罐转塔。 
       通过改进加工方法和设计升级,现有的回转支承可用于更小,更复杂和更准确的应用。 

序号

外齿式
DL
mm

外型尺寸

安装尺寸

结构尺寸

齿轮参数

齿轮圆周力

参考
重量
kg

D
mm

d
mm

H
mm

D1
mm

D2 
mm

n

mm

dm
mm

L
mm

n1
mm

D3
mm

d1
mm

H1
mm

h
mm

b
mm

x

m
mm

De
mm

z

正火
Z 104N

调质
T 104N

1

111.25.500

602

398

75

566

434

20

18

M16

32

4

498

502

65

10

60

0.5

5

629

123

3.7

5.2

80

112.25.500

6

628.8

102

4.5

6.2

2

111.25.560

662

458

75

626

494

20

18

M16

32

4

558

562

65

10

60

0.5

5

689

135

3.7

5.2

90

112.25.560

6

688.8

112

4.5

6.2

3

111.25.630

732

528

75

696

564

24

18

M16

32

4

628

632

65

10

60

0.5

6

772.8

126

4.5

6.2

100

112.25.630

8

774.4

94

6

8.3

4

111.25.710

812

608

75

776

644

24

18

M16

32

4

708

712

65

10

60

0.5

6

850.8

139

4.5

6.2

110

112.25.710

8

854.4

104

6

8.3

5

111.28.800

922

678

82

878

722

30

22

M20

40

6

798

802

72

10

65

0.5

8

966.4

118

6.5

9.1

170

112.28.800

10

968

94

8.1

11.4

6

111.28.900

1022

778

82

978

822

30

22

M20

40

6

898

902

72

10

65

0.5

8

1062.4

130

6.5

9.1

190

112.28.900

10

1068

104

8.1

11.4

7

111.28.1000

1122

878

82

1078

922

36

22

M20

40

6

998

1002

72

10

65

0.5

10

1188

116

8.1

11.4

210

112.28.1000

12

1185.6

96

9.7

13.6

8

111.28.1120

1242

998

82

1198

1042

36

22

M20

40

6

1118

1122

72

10

65

0.5

10

1298

127

8.1

11.4

230

112.28.1120

12

1305.6

106

9.7

13.6

9

111.32.1250

1390

1110

91

1337

1163

40

26

M24

48

5

1248

1252

81

10

75

0.5

12

1449.6

118

11.3

15.7

350

112.32.1250

14

1453.2

101

13.2

18.2

10

111.32.1400

1540

1260

91

1487

1313

40

26

M24

48

5

1398

1402

81

10

75

0.5

12

1605.6

131

11.3

15.7

400

112.32.1400

14

1607.2

112

13.2

18.2

11

111.32.1600

1740

1460

91

1687

1513

45

26

M24

48

5

1598

1602

81

10

75

0.5

14

1817.2

127

13.2

18.2

440

112.32.1600

16

1820.8

111

15.1

22.4

12

111.32.1800

1940

1660

91

1887

1713

45

26

M24

48

5

1798

1802

81

10

75

0.5

14

2013.2

141

13.2

18.2

500

112.32.1800

16

2012.8

123

15.1

22.4

13

111.40.2000

2178

1825

112

2110

1891

48

33

M30

60

8

1997

2003

100

12

90

0.5

16

2268.8

139

18.1

25

900

112.40.2000

18

2264.4

123

20.3

28.1

14

111.40.2240

2418

2065

112

2350

2131

48

33

M30

60

8

2237

2243

100

12

90

0.5

16

2492.8

153

18.1

25

1000

112.40.2240

18

2498.4

136

20.3

28.1

15

111.40.2500

2678

2325

112

2610

2391

56

33

M30

60

8

2497

2503

100

12

90

0.5

18

2768.4

151

20.3

28.1

1100

112.40.2500

20

2776

136

22.6

31.3

16

111.40.2800

2978

2625

112

2910

2691

56

33

M30

60

8

2797

2803

100

12

90

0.5

18

3074.4

168

20.3

28.1

1250

112.40.2800

20

3076

151

22.6

31.3

17

111.50.3150

3376

2922

134

3286

3014

56

45

M42

84

8

3147

3153

122

12

110

0.5

20

3476

171

27.6

38.3

2150

112.50.3150

22

3471.6

155

30.4

42.1

18

111.50.3550

3776

3322

134

3686

3414

56

45

M42

84

8

3547

3553

122

12

110

0.5

20

3876

191

30.4

38.3

2470

112.50.3550

22

3889.6

174

30.4

42.1

19

111.50.4000

4226

3772

134

4136

3864

60

45

M42

84

10

3997

4003

122

12

110

0.5

22

4329.6

194

30.4

42.1

2800

112.50.4000

25

4345

171

34.5

47.8

20

111.50.4500

4726

4272

134

4636

4364

60

45

M42

84

10

4497

4503

122

12

110

0.5

22

4835.6

217

30.4

42.1

3100

112.50.4500

25

4845

191

34.5

47.8

注: 
1、n1为润滑油孔数,均布:油杯M10×1 JB/T7940.1-JB/T7940.2
2、安装孔n-Φ可改用螺孔;齿宽b可改为H-h。
3、表内齿轮圆周力为最大圆周力,额定圆周力取其1/2。
4、外齿修顶系数为0.1。


以上是关于11系列外齿型回转支承价格,11系列外齿型回转支承厂家,11系列外齿型回转支承哪个好,11系列外齿型回转支承批发,11系列外齿型回转支承型号的详细介绍
地区产品: 山东11系列外齿型回转支承,浙江11系列外齿型回转支承,湖南11系列外齿型回转支承安徽11系列外齿型回转支承,河南11系列外齿型回转支承,江苏11系列外齿型回转支承,上海11系列外齿型回转支承,湖北11系列外齿型回转支承,四川11系列外齿型回转支承河北11系列外齿型回转支承,天津11系列外齿型回转支承,辽宁11系列外齿型回转支承广州11系列外齿型回转支承。
点击次数:   更新时间:17/05/10 10:26:05   【打印此页】   【关闭

联系我们

  • 地址:山东省烟台市招远市横掌路
  • 电话:0535-8126299
  • 传真:0535-8120396
  • 手机:张经理 18954556021
  • E-mail:jinxing8126299@126.com

扫一扫查看更多信息

招远市金兴机械制造有限公司?2019 Microsoft Corporation. All rights reserved. 鲁ICP备2023015502号-1

城市分站:主站   山东   浙江   湖南   安徽   河南   江苏   上海   湖北   四川   河北   天津   辽宁   广州   

网站地图 |  免责声明

主站蜘蛛池模板: 丰顺县| 同心县| 长垣县| 汕头市| 洞口县| 靖州| 汨罗市| 海原县| 格尔木市| 万山特区| 济源市| 玉环县| 龙里县| 新乡市| 湟中县| 彩票| 互助| 永福县| 正安县| 浮梁县| 勃利县| 夏河县| 宽甸| 分宜县| 南华县| 佛坪县| 鹤山市| 新津县| 高州市| 革吉县| 丰都县| 高陵县| 宜昌市| 定南县| 上饶县| 曲靖市| 林甸县| 固始县| 辽宁省| 娱乐| 巴彦县|